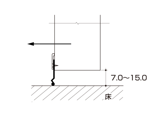
室内 片開き戸下框 ※床面がフラットな場合は、ゴムが床面に接触しない位置で設定願います。 単位:mm 植毛加工ピンチブロック 色:グレー・茶 スライド加工ピンチブロック 色:黒 植毛加工ピンチブロック 色:グレー・茶 スライド加工ピンチブロック 色:黒 植毛加工ピンチブロック 色:グレー・茶 スライド加工ピンチブロック 色:黒 植毛加工ピンチブロック 色:グレー・茶 スライド加工ピンチブロック 色:黒 HCMパッキング 色:クリア・白 HCMパッキング 色:クリア・白 フロアーリック 色:シルバー・ステンカラー・ブロンズ スライド加工ピンチブロック 色:黒 フロアーリック 下框気密装置
扉を開閉する軌道上でゴムが何度も床面に接触することにより、テカリや
色移行が発生する場合がございます。
#7-P+Pカナモノ
#7-PS+Pカナモノ
#12-M+Pカナモノ
#12-MS+Pカナモノ
#38-P+L-20
#38-PS+L-20
#38-T+Pカナモノ
#38-TS+Pカナモノ
A-2+C型アルミレール
O-1+C型アルミレール
FL-AQ
#38-CS+L-20
FL-BQ
UT














